Carretéis industriais de madeira Colosso

Produtos

Carretéis de Madeira

Soluções em Madeira para Construção e Indústria

A Madeireira Colosso oferece produtos desenvolvidos com controle de qualidade, padronização dimensional e capacidade produtiva para atender demandas nacionais e internacionais.

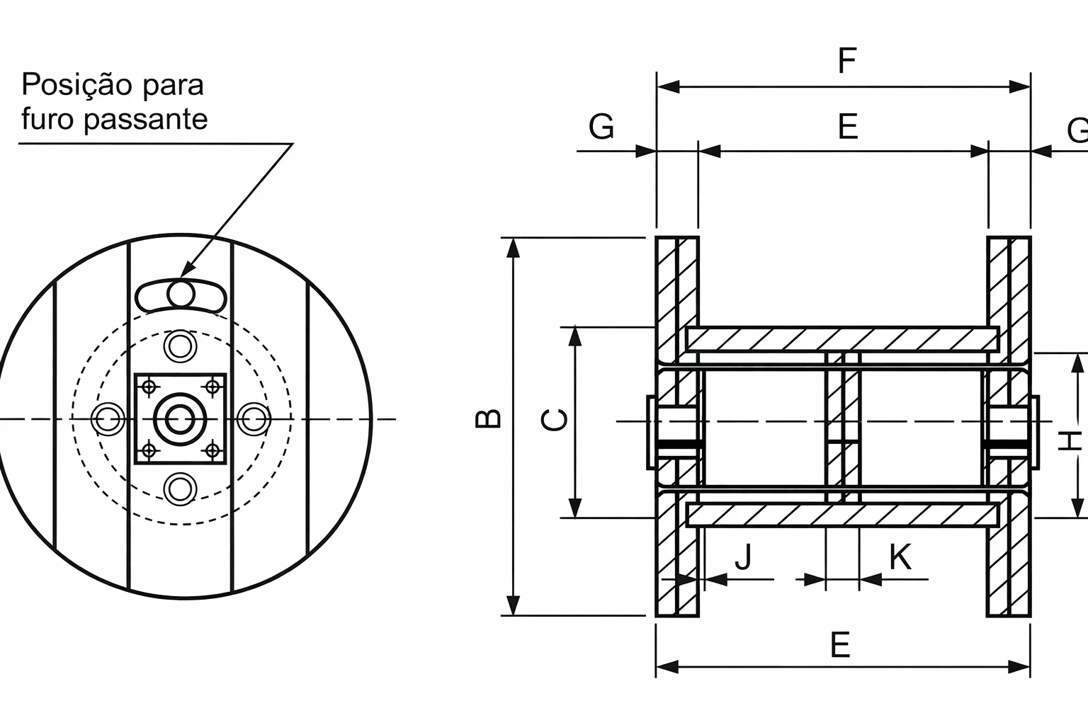
Nossos carretéis industriais de madeira são fabricados com alta resistência, suportando cargas de até 2.700 kg com dimensões entre 65/25 e 125/100 e atendendo à norma ABNT NBR 11137 para carretel de madeira para acondicionamento de fios e cabos elétricos.

Solicitar Orçamento
Detalhe carretel industrial Colosso

Dimensões e Capacidade de Carga

Disponíveis em 32 modelos padronizados. Consulte nossa equipe para dimensões sob medida.

65/25 E
65/25 L
65/25
65/45 E
65/45 L
65/45
80/45 E
80/45 L
80/45
90/60 E
90/60
100/60 E
100/60 L
100/60
125/70 E
125/70 L
125/70
125/100

Selecione um modelo acima para ver as dimensões técnicas.

Tipo de
carretel
Diâmetro
do disco
(B)
Diâm. externo
do núcleo
(C)
Furo
central
(D)
Largura
interna
(E)
Largura
externa
(F)
Espessura e composição
do disco (G)
Diâm. interno
do núcleo
(H)
Volume Capacidade
de carga
máxima
  mm mm mm mm mm mm mm kg
Diagrama técnico do carretel

Entre em contato

Solicitar Orçamento